Eindtrap 1500 W UHF

 

 

 

 
                 
Home Logboek Antennepark HF Techniek Contact
 

 

     

 

     
SDR Ontvangers HF Eigenschappen Signaaloverdracht LPAM Overzicht Links
 

 

     

 

     

 

 

 

Low Pass Filters

Antenne Techniek

HF Eindtrappen

 

 

 

MG Eindtrap 400 W

MG Eindtrap 250 W

MG/KG Eindtrap 16 W

UHF Eindtrap 1500 W

 

 

 

UHF Eindtrap 1500 W

UHF Endstuf 1500 W

 

 

 

 

Toelichting betreft toepassing van deze eindtrap

De VH501A1-eindtrappen van Rohde & Schwarz hebben jarenlang een belangrijke rol gespeeld in het Nederlandse omroepnetwerk. Deze krachtige en uiterst betrouwbare eindtrappen werden door NOZEMA ingezet voor het uitzenden van de provinciale televisiekanalen. Vanuit diverse zendlocaties verspreid over het land zorgden zij ervoor dat miljoenen kijkers dagelijks een stabiel analoog televisiesignaal konden ontvangen.

De keuze voor Rohde & Schwarz was destijds geen toeval. De VH501A1-eindtrappen stonden bekend om hun robuuste ontwerp, hoge bedrijfszekerheid en uitstekende prestaties bij continu bedrijf. Ze waren ontworpen om 24 uur per dag, 7 dagen per week te functioneren, vaak onder zware omstandigheden. Hierdoor vormden ze jarenlang de ruggengraat van het analoge provinciale televisienetwerk in Nederland.

Aan dit tijdperk kwam eind 2006 een definitief einde. In dat jaar werden de analoge televisie-uitzendingen in Nederland uitgeschakeld. Deze stap maakte deel uit van de landelijke overgang naar digitale televisie, waarbij een volledig nieuw digitaal zendernetwerk in gebruik werd genomen. Dit digitale netwerk bood aanzienlijke voordelen, zoals een efficiënter gebruik van het frequentiespectrum, een betere beeld- en geluidskwaliteit en de mogelijkheid om meerdere zenders binnen één frequentiekanaal uit te zenden.

In 2013 begon voor mij een bijzonder project met de Rohde & Schwarz VH501A1 eindtrap, met als laatste trap voorzien van 16 Power Transistors van de type TPV8100B van de merk Motorola. Deze eindtrap, die oorspronkelijk was ontworpen voor professioneel omroepgebruik, heb ik dat jaar volledig gereedgemaakt voor stand-alone gebruik. Dat betekende dat hij niet langer afhankelijk was van de oorspronkelijke zendinstallatie, maar zelfstandig kon functioneren binnen een nieuwe opstelling.

Een belangrijk aandachtspunt daarbij was de koeling. In de oorspronkelijke configuratie maakte de eindtrap deel uit van een groter systeem met centrale luchtvoorziening. Voor Stand-alone gebruik heb ik daarom extra ventilatoren gemonteerd om een betrouwbare en efficiënte koeling te garanderen. Hiermee werd de eindtrap geschikt voor langdurig en stabiel bedrijf, zonder concessies te doen aan de bedrijfszekerheid.

 

Erläuterung zur Anwendung dieser Ausgabestufe

Die VH501A1-Endstufen von Rohde & Schwarz spielten viele Jahre lang eine entscheidende Rolle im niederländischen Rundfunknetz. Diese leistungsstarken und äußerst zuverlässigen Endstufen wurden von NOZEMA für die Ausstrahlung regionaler Fernsehsender eingesetzt. Von verschiedenen Sendestandorten im ganzen Land aus gewährleisteten sie täglich den Empfang eines stabilen analogen Fernsehsignals für Millionen von Zuschauern.

Die Wahl von Rohde & Schwarz war damals kein Zufall. Die VH501A1-Endstufen waren bekannt für ihre robuste Bauweise, hohe Betriebssicherheit und hervorragende Leistung im Dauerbetrieb. Sie waren für den 24/7-Betrieb, oft unter anspruchsvollen Bedingungen, ausgelegt. Daher bildeten sie viele Jahre lang das Rückgrat des analogen regionalen Fernsehnetzes in den Niederlanden.

Diese Ära endete Ende 2006 endgültig mit der Abschaltung der analogen Fernsehsendungen in den Niederlanden. Dieser Schritt war Teil der landesweiten Umstellung auf digitales Fernsehen, die die Einführung eines völlig neuen digitalen Rundfunknetzes mit sich brachte. Dieses digitale Netzwerk bot erhebliche Vorteile, wie beispielsweise eine effizientere Nutzung des Frequenzspektrums, eine bessere Bild- und Tonqualität sowie die Möglichkeit, mehrere Kanäle innerhalb eines einzigen Frequenzkanals zu übertragen.

2013 begann ich ein besonderes Projekt mit der Rohde & Schwarz VH501A1 Endstufe, die letzte Endstufe ist mit 16 Leistungstransistoren des Typs TPV8100B der Marke Motorola ausgestattet. Ursprünglich für den professionellen Rundfunk entwickelt, habe ich diese Endstufe in jenem Jahr vollständig für den Standalone-Betrieb angepasst. Dadurch war sie nicht mehr vom ursprünglichen Sendersystem abhängig, sondern konnte in einem neuen Setup eigenständig funktionieren.

Ein wichtiger Aspekt war die Kühlung. In ihrer ursprünglichen Konfiguration war die Endstufe Teil eines größeren Systems mit zentraler Luftzufuhr. Für den Standalone-Betrieb installierte ich daher zusätzliche Lüfter, um eine zuverlässige und effiziente Kühlung zu gewährleisten. So wurde die Endstufe für einen langfristigen und stabilen Betrieb geeignet, ohne Kompromisse bei der Betriebssicherheit einzugehen.

 

 

 

 

Richtwaarden voor het afregelen van de eindtrap

De eindtrap is oorspronkelijk ontworpen voor gebruik in het UHF-bereik en bestrijkt een frequentiegebied van ongeveer 470 tot 860 MHz. Ook buiten dit bereik presteert de eindtrap nog verrassend goed. Zo is hij in originele staat succesvol getest op de 70-cm amateurband, waarbij hij probleemloos functioneerde.

Bij gebruik met analoge televisie levert de eindtrap een uitgangsvermogen van circa 1,5 kW PEP. De voeding van de eindtrap is uitgevoerd via een speciale voedingsconnector. Deze connector is voorzien van drie dikke pennen voor de 30-volt voedingslijnen en één dunne pen voor de 3-volt voeding. Daarnaast bevindt zich op het chassis een grote pen die dient als massaaansluiting van de voeding.

De eindtrap wordt gevoed met drie afzonderlijke 30 VDC-lijnen, elk geschikt voor een stroom van 35 ampère, wat neerkomt op een totale maximale stroom van 105 ampère. Daarnaast is er een aparte voedingsaansluiting nodig voor 3 VDC bij 7 ampère. De ruststroom van de eindtrap bedraagt bij 30 VDC ongeveer 19 ampère en bij 3 VDC circa 7 ampère.

De bijbehorende IN503A1-voeding is ontworpen om twee van deze eindtrappen van stroom te voorzien en vereisen daarvoor een krachtstroomaansluiting.

 

Even de belangrijke punten voor de werking van de Eindtrap VH501A1

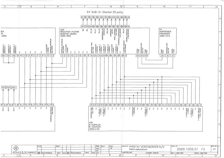
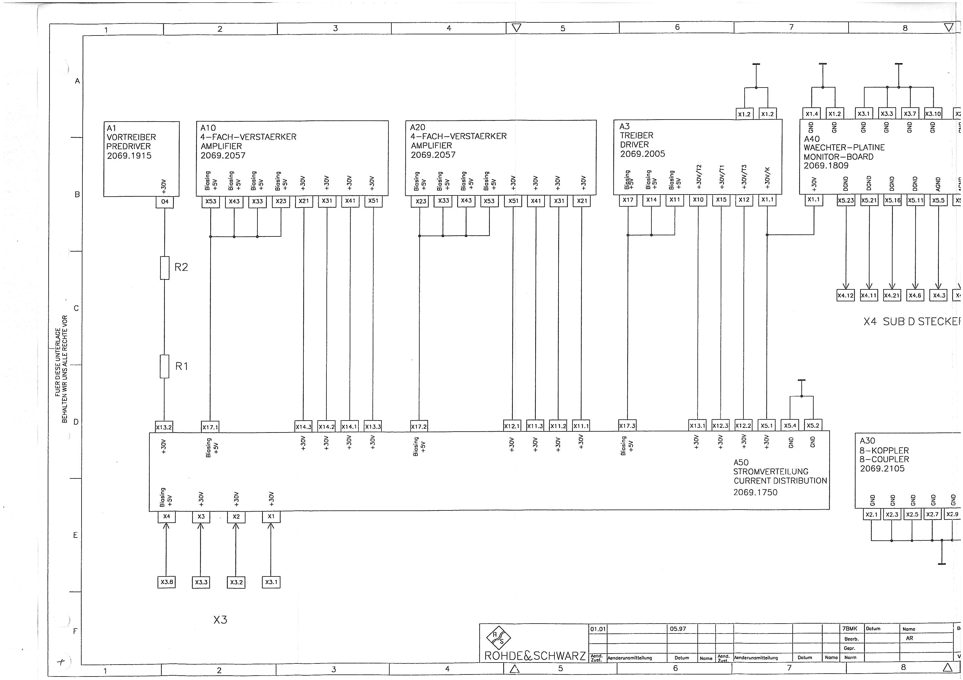
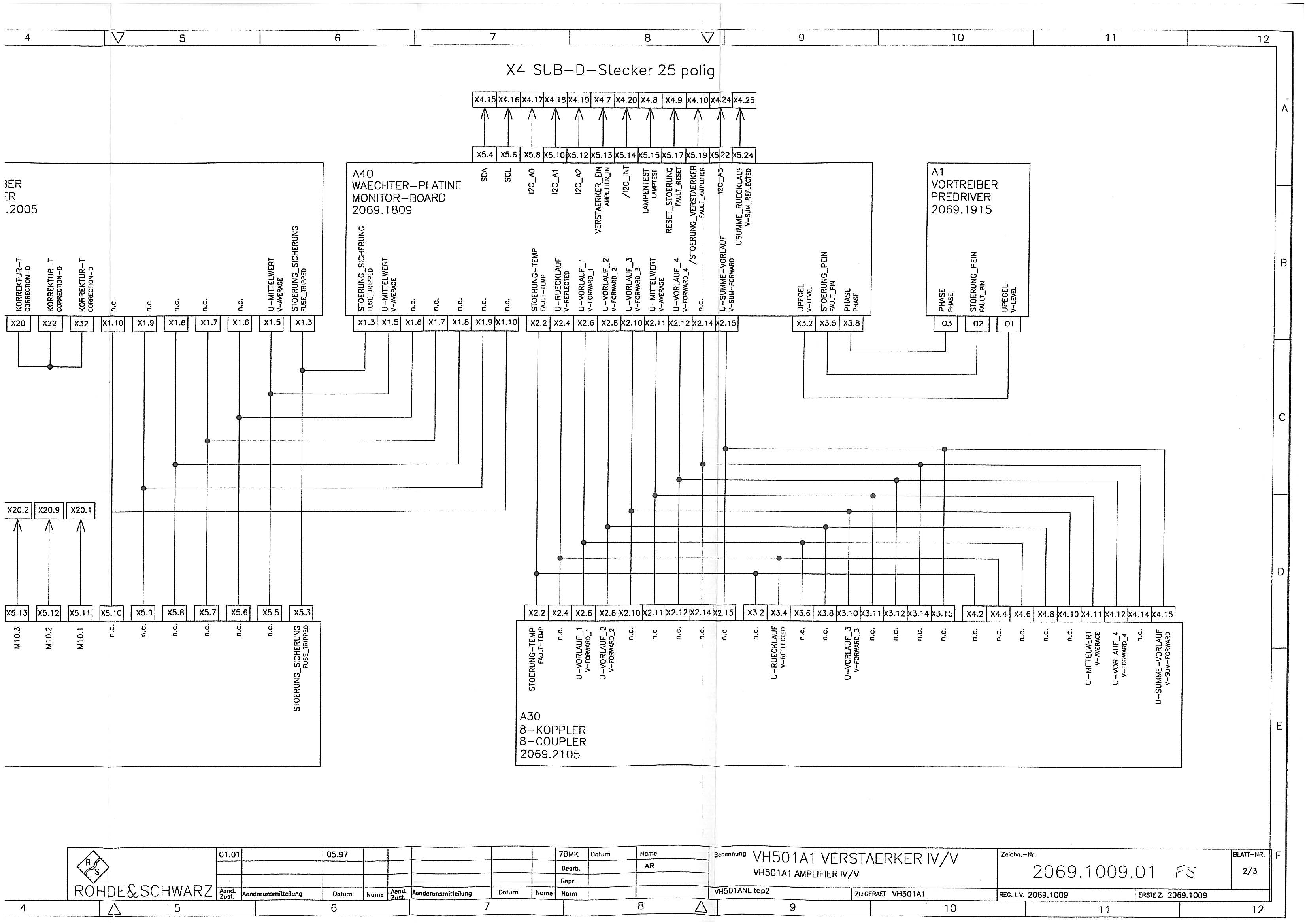
Voor de regeling van het uitgangsvermogen wordt gebruikgemaakt van een 25-polige Sub-D-connector (X4). Binnen deze connector zijn pen 1 en pen 3 verbonden met massa (GND). Op pen 2 dient een regelspanning van 0 tot 5 volt te worden aangesloten. Met deze spanning kan het uitgangsvermogen worden ingesteld, waarbij 5 volt overeenkomt met het maximale vermogen.

Tussen pen 8 en massa (GND) kan een drukschakelaar worden geplaatst om de indicatielampjes te testen. Daarnaast kan tussen pen 9 en massa (GND) een drukschakelaar worden aangesloten om de storingslampjes te resetten.

Pen 25 wordt gebruikt als meetpunt voor het gereflecteerde uitgangsvermogen.

 

Even de belangrijke punten voor de werking van de Voeding IN503A1

Voor de aansluiting wordt gebruikgemaakt van een 25-polige Sub-D-connector (X8). Binnen deze connector dienen pen 1 en pen 6 met elkaar te worden doorverbonden door middel van een draadbrug.

Verder worden pen 7 en pen 25 met elkaar verbonden via een wipschakelaar, die functioneert als aan/uit-schakelaar. Voor de resetfunctie kan tussen pen 8 en pen 25 een drukschakelaar worden geplaatst. Daarnaast wordt tussen pen 9 en pen 25 eveneens een drukschakelaar aangesloten, waarmee de lampentest kan worden uitgevoerd.

 

Richtlinien zur Anpassung der Endstufe

Die Endstufe wurde ursprünglich für den Einsatz im UHF-Band (Frequenzbereich ca. 470 bis 860 MHz) entwickelt. Auch außerhalb dieses Bereichs arbeitet sie erstaunlich gut. So wurde sie beispielsweise im Originalzustand erfolgreich im 70-cm-Amateurfunkband getestet und funktionierte dort einwandfrei.

Im Betrieb mit analogem Fernsehen liefert die Endstufe eine Ausgangsleistung von ca. 1,5 kW (PEP). Die Stromversorgung erfolgt über einen speziellen Netzstecker. Dieser Stecker verfügt über drei dicke Pins für die 30-Volt-Leitungen und einen dünnen Pin für das 3-Volt-Netzteil. Zusätzlich dient ein großer Pin am Gehäuse als Masseanschluss für das Netzteil.

Die Endstufe wird über drei separate 30-V-Gleichstromleitungen mit jeweils 35 Ampere Stromstärke versorgt, was einen maximalen Gesamtstrom von 105 Ampere ergibt. Für 3 V Gleichstrom mit 7 Ampere ist außerdem ein separater Stromanschluss erforderlich. Der Ruhestrom der Ausgangsstufe beträgt ca. 19 A bei 30 V DC und ca. 7 A bei 3 V DC.

Das mitgelieferte Netzteil IN503A1 ist für die Versorgung von zwei dieser Ausgangsstufen ausgelegt und benötigt daher einen Hochspannungsanschluss.

 

Hier einige wichtige Hinweise zum Betrieb des Ausgangsverstärkers VH501A1

Zur Steuerung der Ausgangsleistung wird ein 25-poliger Sub-D-Stecker (X4) verwendet. Innerhalb dieses Steckers sind die Pins 1 und 3 mit Masse (GND) verbunden. An Pin 2 wird eine Steuerspannung von 0 bis 5 Volt angelegt. Mit dieser Spannung lässt sich die Ausgangsleistung einstellen, wobei 5 Volt der maximalen Leistung entsprechen.

Zum Testen der Kontrollleuchten kann ein Drucktaster zwischen Pin 8 und Masse (GND) angeschlossen werden. Ein weiterer Drucktaster kann zwischen Pin 9 und Masse (GND) angeschlossen werden, um die Fehleranzeigen zurückzusetzen.

Pin 25 dient als Messpunkt für die reflektierte Ausgangsleistung.

 

Hier einige wichtige Hinweise zum Betrieb des Netzteils IN503A1

Die Verbindung erfolgt über einen 25-poligen Sub-D-Stecker (X8). Innerhalb dieses Steckers müssen die Pins 1 und 6 mit einer Drahtbrücke verbunden werden.

Die Pins 7 und 25 sind über einen Wippschalter verbunden, der als Ein-/Ausschalter dient. Für die Reset-Funktion kann ein Drucktaster zwischen den Pins 8 und 25 angeschlossen werden. Ein weiterer Drucktaster dient zum Lampentest und ist zwischen den Pins 9 und 25 angeschlossen.

 

 

Blokschema 1 (deel A)

Hier even aanklikken voor grotere plaatje

 

Blokschema 1 (deel B)

Hier even aanklikken voor grotere plaatje

 

Blokschema 2

Hier even aanklikken voor grotere plaatje

 

Blokschema 3 (deel A)

Hier even aanklikken voor grotere plaatje

 

Blokschema 3 (deel B)

Hier even aanklikken voor grotere plaatje

 

 

De Blokschema's en de manuals had ik verkregen van de firma Rohde en Schwarts zelf.

Ich habe die Blockdiagramme und Handbücher direkt von der Firma Rohde & Schwarz erhalten.

 

 

Manual VH501A1 Amplifier

Manual IN503A1 Power Supply

Specification TPV8100B

 

 

Foto van de eindtrap

Foto der Endstufe

 

    

 

 

 

 

Copyright 2005 - 2026 PE9MJ